第一熱研可攜式氧氣/微氧分析儀
Daiichi Nekken EZY protable oxygen analyzer

| 利用氧化鋯電極量測氧氣的濃度。主要是設計用來量測微氧或低氧惰性氣體中的氧氣濃度,在半導體及迴焊爐已普遍採用。對於像煙道氣體(較髒彧較高溫的氣體)也可以直接量測。 | |
| 內部採用TB-IIF-P 氧氣/微氧感測器及C-301 控制器,可用於1ppm-100%氧氣濃度量測。 | |
| 內置多重過濾器可擋住灰塵,可保護感測器免受腐蝕性氣體腐蝕。感測器使用壽命長。 | |
| 重量更輕,只有4.3公斤。(以前型號TB-FI系列的重量6.0公斤) | |
| 內建RS232C 通訊介面 | |
| 再傳送輸出範圍可自由設定 | |
| 電源輸入電壓100VAC 50/60Hz 200VA max. |
型錄下載
|
機 型 |
EZY-1 | 取樣壓力為正壓 |
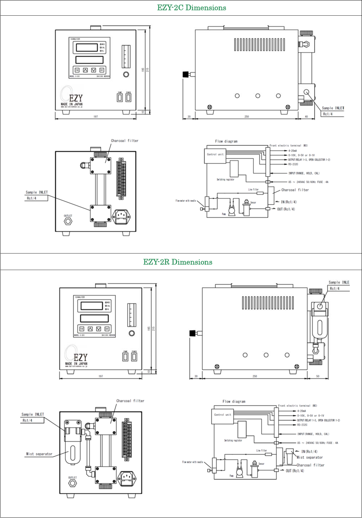
| EZY-2 | 內置取樣幫浦 | |
| EZY-2C | 內置取樣幫浦及活性炭過濾器 | |
| EZY-2R | 內置取樣幫浦, 活性炭過濾器及油霧過濾器 | |
| 測量範圍 | 1ppm-100% O2 | |
| 顯 示 | % : 0.00 ~ 99.99% O2 | ppm : 0 ~ 9999ppm O2 |
| 輸 出 | 4-20mADC、0-1VDC、0-5VDC or 0-10VDC (isolated)。再傳送輸出範圍可自由設定。 | |
| 通訊介面 | RS232C | |
| 範圍選擇 | 自動/ 手動/遠端 | |
| 警 報 | 警報輸出:Hi/Lo, HHi/Hi or Lo/LLo (繼電器A接點、OLED顯示) 異常顯示 : Heater、RTD (OLCD顯示) |
|
| Linearity 線性度 | 少於±1%FS or±1ppm (較大者) | |
| Repeatability 再現性 | 少於±1%FS or±1ppm (較大者) | |
| 反應時間 | 90%應答: 大約10秒以內 (由低濃度到高濃度) | |
| Drift 漂移 | 少於 ±2%FS/week | |
| 配 管 | Rc 1/4 | |
| 取樣壓力 | ~2atm | |
| 取樣流量 | 0.2~2L/min | |
| 取樣溫度 | 最高 60℃ | |
| 暖機時間 | 大約20 分鐘 | |
| 電 源 | 85~240VAC | |
| 重 量 | 4.3kg | |
| 附 件 | 電源線3米 | |


氧化鋯氧氣分析儀原理 |
|
將氧化鋯陶磁加熱後,氧化鋯陶磁會形成電極,氧離子可以穿透氧化鋯陶磁。若是氧化鋯陶磁的內側與外側有不同濃度氣體,在氧化鋯陶磁兩側就會形成電位差。將氧化鋯電極內側接觸空氣當作參考基準,外側接觸待測氣體,就可以經由量測電極內外側電位差來量測氧氣濃度。
|
![]() |



